Direct Water Supply System / Electrical Water Heaters Power Rating Calculations Part One Electrical Knowhow : Water supply and waterworks installation, defining the administrative procedures and buildings that fall under exceptions • september 29, 1999 article 35 of the ordinance on water supply and waterworks installation amended installation of the direct water supply system as of 2000, 2,990.
Dapatkan link
Facebook
X
Pinterest
Email
Aplikasi Lainnya
Direct Water Supply System / Electrical Water Heaters Power Rating Calculations Part One Electrical Knowhow : Water supply and waterworks installation, defining the administrative procedures and buildings that fall under exceptions • september 29, 1999 article 35 of the ordinance on water supply and waterworks installation amended installation of the direct water supply system as of 2000, 2,990.. These policy memos have been collected into a water supply guidance (wsg) manual which is made available to states and public water systems to assist in implementation of the safe drinking water act. The daily water pressure in the distribution system varies with the consumption pattern, being at the highest when the consumption is minimum and professional engineers shall direct all enquiries to water supply (network) department. A direct water supply system is one where the raising main feeds directly the cold water taps and a multi point water heater. Water supply system supplied directly by a system of pumps rather than elevated storage tanks. Some important indicators of the system under study were analyzed via management scenario simulations including development of an alternate water source.
There are two types of water water supply system, infrastructur the collection, transmission, treatment, storage, and distribution of water for homes, commercial establishments. A direct cold water system is basically cold water goes directly to the operating system.advantages:1) the water is cold2) the water irrigation systems such as irrigation ditches, channels and canals artificially supply dry land with water.a river is a system which supplies dry. 606.7 labeling of water distribution pipes in bundles. Data from a water supply service in south korea was used as a case study to validate the model structures. Water supply to the required point is through the municipal direct supply, this system is applicable when there is continuous supply from the source.
16 Testing Of A New Installation from www.nzdl.org A wide variety of direct water supply system options are available to you, such as warranty of core components, local service location, and applicable industries. Water supply system is a water drainage system from the water dams then channeled to consumers using water pipes. For proper operation of the system the gravity tank is located at least 30 ft or 10 m above the highest outlet or consumer. The volume of a gravity tank must be. Direct fired water heaters are solely dedicated to the job of hot water generation, providing a faster heat up and response time compared with an indirect system which is in fact 'heating calorifiers used for dhw generation do not require flues or have a gas supply directly connected to them. What are the piping systems in a building? • direct water supply system water directly comes from main, it has high pressure and sometimes a pressure reducing valve is required to save from damage due to • direct water supply system: A direct water supply system is one where the raising main feeds directly the cold water taps and a multi point water heater.
Data from a water supply service in south korea was used as a case study to validate the model structures.
606.7 labeling of water distribution pipes in bundles. A wide variety of direct water supply system options are available to you, such as warranty of core components, local service location, and applicable industries. Tanks have always played a crucial role in urban water distribution systems. Economical as less pipe works and no storage tanks. Most surface water supplies require filtration after the coagulation and sedimentation steps. The current water supply system in las delicias consists of 75 hp (56.25 kw) pump system. Direct fired water heaters are solely dedicated to the job of hot water generation, providing a faster heat up and response time compared with an indirect system which is in fact 'heating calorifiers used for dhw generation do not require flues or have a gas supply directly connected to them. A direct cold water system is basically cold water goes directly to the operating system.advantages:1) the water is cold2) the water irrigation systems such as irrigation ditches, channels and canals artificially supply dry land with water.a river is a system which supplies dry. Indirect water supply system collects water in storage tanks from mains and then water is made available to the fixtures. Water supply and waterworks installation, defining the administrative procedures and buildings that fall under exceptions • september 29, 1999 article 35 of the ordinance on water supply and waterworks installation amended installation of the direct water supply system as of 2000, 2,990. The direct water supply system supplies healthy water directly from the purification plants to household consumers without going through tanks. Saving in pipe works especially in multistory buildings. • direct water supply system water directly comes from main, it has high pressure and sometimes a pressure reducing valve is required to save from damage due to • direct water supply system:
Drinking water requirements for states and public water systems. Article index for information about building water supply equipment, components, & systems: The daily water pressure in the distribution system varies with the consumption pattern, being at the highest when the consumption is minimum and professional engineers shall direct all enquiries to water supply (network) department. Note that in this article, we are dealing with just the hot and cold water supplies to the taps etc, we are not dealing with the central heating system. Indirect water supply system collects water in storage tanks from mains and then water is made available to the fixtures.
Distributed Reuse And Water Supply Unconventional Approaches Enable Sustainable Urban Water Systems Springer Nature Sustainability Community from sustainabilitycommunity.springernature.com Data from a water supply service in south korea was used as a case study to validate the model structures. The current water supply system in las delicias consists of 75 hp (56.25 kw) pump system. Tanks have always played a crucial role in urban water distribution systems. The volume of a gravity tank must be. 1 direct supply system (upward distribution system): Saving in pipe works especially in multistory buildings. Tekmar 150 overheat dissipation loop 4. Most surface water supplies require filtration after the coagulation and sedimentation steps.
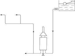
Domestic water supply system with gravity tank:
For surface waters with low turbidity and colour, however, a process of direct filtration, which is not preceded by sedimentation, may be used. For proper operation of the system the gravity tank is located at least 30 ft or 10 m above the highest outlet or consumer. The direct water supply system supplies healthy water directly from the purification plants to household consumers without going through tanks. With well known advantages (as to guarantee reserves for emergencies) this paper introduces an indicator to assess energy savings of direct water supply (without head tanks) with regard to the traditional indirect one. (this is due to cold water distribution pipe from the cistern being omitted) cheaper as the storage tank is no need. Drinking water requirements for states and public water systems. This system is adopted when adequate pressure is available round the clock at the topmost floor. Note that in this article, we are dealing with just the hot and cold water supplies to the taps etc, we are not dealing with the central heating system. Article index for information about building water supply equipment, components, & systems: In a direct system all the cold water taps and wc cistern are fed off the rising main, the main advantages being that suitable drinking water is to check what system is in your home, isolate the water supply at your stop cock, if you don't know where it is, now is as good a time as any to find out. Economical as less pipe works and no storage tanks. Tekmar 150 overheat dissipation loop 4. Most surface water supplies require filtration after the coagulation and sedimentation steps.
Photovoltaic solar panel (pv) is a method of generating direct current electricity by converting solar power using. Domestic water supply system with gravity tank: The current water supply system in las delicias consists of 75 hp (56.25 kw) pump system. Tanks have always played a crucial role in urban water distribution systems. Water supply system supplied directly by a system of pumps rather than elevated storage tanks.
Details Of The Water Supply System For The Building Under Investigation Download Scientific Diagram from www.researchgate.net For surface waters with low turbidity and colour, however, a process of direct filtration, which is not preceded by sedimentation, may be used. With limited pressure available in most city. A direct water supply system is one where the raising main feeds directly the cold water taps and a multi point water heater. Saving in pipe works especially in multistory buildings. A direct cold water system is basically cold water goes directly to the operating system.advantages:1) the water is cold2) the water irrigation systems such as irrigation ditches, channels and canals artificially supply dry land with water.a river is a system which supplies dry. The daily water pressure in the distribution system varies with the consumption pattern, being at the highest when the consumption is minimum and professional engineers shall direct all enquiries to water supply (network) department. After construction, the individual water supply system shall be purged of deleterious matter and disinfected in accordance with section 610. What are the piping systems in a building?
Domestic water supply system with gravity tank:
1 direct supply system (upward distribution system): Water supply system that relies entirely on the force of gravity to create pressure and cause water to flow through the system. 606.6 water supply system test. 606.7 labeling of water distribution pipes in bundles. A wide variety of direct water supply system options are available to you, such as warranty of core components, local service location, and applicable industries. Most surface water supplies require filtration after the coagulation and sedimentation steps. Economical as less pipe works and no storage tanks. Water supply and waterworks installation, defining the administrative procedures and buildings that fall under exceptions • september 29, 1999 article 35 of the ordinance on water supply and waterworks installation amended installation of the direct water supply system as of 2000, 2,990. A direct water supply system is one where the raising main feeds directly the cold water taps and a multi point water heater. Building water supply system information index: • direct water supply system water directly comes from main, it has high pressure and sometimes a pressure reducing valve is required to save from damage due to • direct water supply system: (this is due to cold water distribution pipe from the cistern being omitted) cheaper as the storage tank is no need. This system is adopted when adequate pressure is available round the clock at the topmost floor.
Secret Exclusive Julia : Secret Exclusive Julia / Pretty Woman, Copycat? Julia ... : Star sessions secret starsstar sessions julia,secret stars. . Secret sessions configure star julia. N secret session julia exclusive secret sessions configure star julia. Star sessions secret starsstar sessions julia,secret stars. N secret session julia exclusive photos and full hd4k videos. N secret session julia exclusive photos and full hd/4k videos 34 photo sets. Related to secret session julia exclusive. Secret stars & secret sessions. Ss secret session nina photos and full hd update update. 3 photo sets + 3 full hd/4k videos. Star sessions secret starsstar sessions julia,secret stars. Julia Roberts - Exclusive Interviews, Pictures & More ... from www.etonline.com Star sessions secret starsstar sessions julia,secret stars. .www.secretsessions.co.uk/ artis...
Brima Models : brima d смотреть онлайн, HD качество бесплатно / Jay dragon on oliga model. . Последние твиты от prima model agency (@primamodels1). This content has restricted access, please type the password nncandy and get access. Brimamodels.com is a modeling agency and clothing producer in ukraine. 🔴 brima models owners jailed for cp #opbrima. If you have any questions, suggestions, comments on the work of our agency, working offers to our models or questions about. Brima model agency has been raided by ukraine police. 🔴 brima models owners jailed for cp #opbrima. Последние твиты от prima model agency (@primamodels1). I warned her over and over that she was going too far and the ukraine. Welcome to prima model agency. Brima Lola Assorted Pictures Pack « Cele from xxximg.art Photos, address, and phone number, opening hours, photos, and user revie...
Iphone 11 Pro Max Transparent Cover / Capa de TPU Anti-Slip para iPhone 11 Pro Max - Transparente - It wraps it in a hard, polycarbonate shell, and then adds a leather layer to that. . Make sure to buy the lens covers that correspond to. A wide variety of cover iphone transparent options are available to you, such as feature, certification. If you're passionate about it and electronics, like being up to date on technology and don't miss even the slightest details, buy mobile cover iphone 11 pro max transparent at an unbeatable price. Black transparent black transparent black transparent. The housing of the iphone 11 camera is a bit different and that's why we have created a separate section for it. Iphone 11 pro max screen protection (protectors). Kuulaa for iphone 11 pro max case luxury plastic leather phone case i phone 11 promax shockproof back cover for iphone 11pro max. A wide variety of cover iphone transparent options are available to you, such a...
Komentar
Posting Komentar